| Disponibilité: | |
|---|---|
| Quantité: | |
La station de regazage modulaire GNL est une solution évolutive tout-en-un conçue pour les scénarios de demande de GNL de petite à moyenne taille, notamment les parcs industriels, les centres régionaux de distribution de gaz et les installations de production d'électricité. En tant que fournisseur leader de solutions uniques GNC/GNL/GNV, nous adaptons cette station pour répondre à divers besoins, des petites stations satellites GNL aux projets LCNG (gaz naturel liquéfié comprimé) à grande échelle, en tirant parti de nos plus de 10 ans d'expérience industrielle et d'expertise technique.
Conception et fonctionnalités de base :
Flexibilité modulaire : Chaque composant (stockage, regazéification, régulation de pression) est conçu comme un skid indépendant, permettant une extension ou une modification facile. Par exemple, les utilisateurs peuvent ajouter un deuxième réservoir de stockage sur châssis pour doubler la capacité sans reconstruire la station entière.
Déchargement efficace : Le skid de déchargement PBU assure un transfert de GNL rapide et stable des pétroliers aux réservoirs de stockage. Il augmente automatiquement la pression et maintient une différence de pression constante, réduisant ainsi le temps de déchargement de 20 % par rapport aux systèmes traditionnels.
Optimisation du haut débit : Lorsque le débit de gaz atteint ou dépasse 1 000 Nm³/h, nous recommandons d'installer le vaporisateur de GNL sur un skid séparé ou sur une fondation sur site. Cette conception évite la surchauffe et garantit que le vaporisateur fonctionne avec une efficacité maximale, même en cas de demande maximale.
Sécurité intégrée : La station comprend en option des systèmes de surveillance à distance et de coupure d'urgence. La surveillance à distance suit les données en temps réel (niveau du réservoir, pression, débit de gaz), tandis que l'arrêt d'urgence se déclenche automatiquement en cas de fuite ou de surpression, minimisant ainsi les risques opérationnels.
SinoCleansky est spécialisé dans l'industrie du gaz naturel et fournit une solution unique pour le GNL et le GNC avec des produits, des technologies et des services.
Pour les clients professionnels de Mini GNL, de station satellite LCNG, de regazéification de GNL, etc., SinoCleanky met à profit son expérience industrielle et son expertise technologique pour fournir d'excellentes solutions techniques personnalisées.
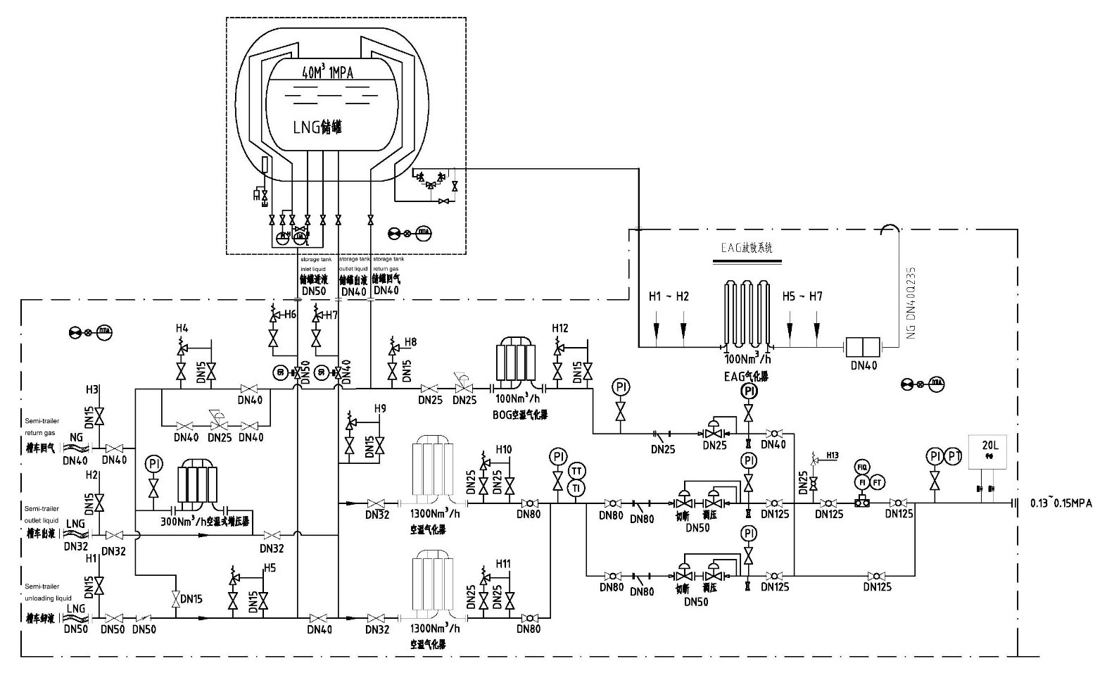
Processus de dérapage de regazéification du GNL
a) Skid du réservoir de stockage de GNL : pour le stockage du GNL et l'alimentation en fluide.
b) Déchargement du patin PBU : pour la surpression et la pression constante lorsque le méthanier décharge le fluide, les réservoirs de stockage de GNL peuvent alors atteindre la différence de pression de fluide normale, de sorte que les méthaniers peuvent charger par irrigation.
c) Lorsque le débit≥1000Nm³/h, il est recommandé d'utiliser un vaporisateur de GNL pris séparément ou de le fonder séparément sur site.

Skid de réservoir de stockage de GNL : Disponible dans des tailles de 20 m³ à 200 m³, avec un système PBU intégré pour une gestion autonome de la pression. Le réservoir est en acier inoxydable SA-240M 304, garantissant durabilité et résistance aux températures cryogéniques (-196℃).
Vaporisateur : 2 ensembles (en option), avec une capacité de gazéification de 100~2000Nm³/H. Les vaporisateurs ambiants sont standards, tandis que des vaporisateurs électriques ou chauffés à la vapeur sont disponibles pour les climats froids.
Régulateur de pression : conception de type entrée, disponible en configurations à un ou deux canaux. L'option double canal permet un fonctionnement continu pendant la maintenance, évitant ainsi les interruptions de l'approvisionnement en gaz.
Dispositif d'odorisation : pompe auto-amorçante ou pompe doseuse en option, ajoutant des substances odorantes (par exemple, éthanethiol) pour répondre aux règles de sécurité pour la détection des fuites dans les zones publiques et industrielles.
Système de mesure : Débitmètre à turbine en option (pour une mesure de haute précision) ou débitmètre Roots (pour les débits importants), fournissant des données précises pour la facturation et la gestion de l'énergie.
Guide de sélection du modèle de solution GNL
Consommation de gaz |
Nom du produit |
Max. Alimentation en gaz |
En dessous de 200 |
Cylindres |
N·7 / N·11 |
100~2 000 |
Station de dérapage pour groupe de bouteilles de gaz |
200 modèles typiques : |
Environ 1 000 |
Station de micro-vrac |
200 |
500~10 000 |
Station de gazéification modulaire |
2 000 |
POUR GNV |
STATTION DE REMPLISSAGE DE GNL |
Remarque : La station de ravitaillement modulaire GNL peut être personnalisée en fonction de la demande des clients.
Certifications et rapports :
Conformité aux normes mondiales : Conforme aux règles du code ASME des chaudières et des appareils sous pression, section VIII, division 1 , une référence en matière de sécurité des équipements sous pression dans le monde entier.
Rapports d'inspection complets : Chaque station est accompagnée d'un ensemble complet de rapports, notamment :
Certificat de qualification des appareils sous pression
Dossier de traçabilité du soudeur/matériau (suivi des matières premières depuis l'approvisionnement jusqu'à la fabrication)
Rapports de contrôles non destructifs (CND) (rayons X pour les soudures, contrôles par ultrasons pour l'épaisseur)
Rapport de test d'étirement à froid (pour validation des performances cryogéniques)
Rapport de détection de fuite d'hélium (garantissant l'absence de fuite dans les systèmes cryogéniques)
Certificats de qualification des vannes et des accessoires de sécurité (provenant de fournisseurs réputés)
Certifications personnalisées : Sur demande, nous fournissons des certifications supplémentaires telles que ISO 9001 (gestion de la qualité), ISO 14001 (gestion environnementale) ou des certifications régionales (par exemple, CE pour l'Europe, CSA pour l'Amérique du Nord).
Garantie & Traçabilité :
Traçabilité à 100 % : chaque composant est étiqueté avec un numéro de série unique, permettant un suivi complet du cycle de vie.
Couverture de la garantie : garantie de 12 mois pour l'ensemble de la station, garantie de 24 mois pour les composants clés (vaporisateurs, régulateurs de pression) et assistance technique à vie.
Service après-vente : notre équipe d'ingénieurs fournit des conseils d'installation sur site, une formation opérationnelle et une assistance à la maintenance pour garantir le bon fonctionnement de la station.
Les stations de ravitaillement modulaires SinoCleansky LNG sont fabriquées sous un système de contrôle de qualité strict. La station de ravitaillement modulaire GNL est accompagnée d'un rapport d'inspection soumis aux clients. Selon les exigences du client, SinoCleansky fournira également d'autres certificats selon la demande du client. Nous vous assurons que toutes les stations de regazage modulaires GNL sont traçables à 100%.
Certifications et rapports de référence :



Conditionnement :
Composants montés sur patins : Chaque patin est fixé sur une palette en acier robuste dotée de patins anti-vibrations pour absorber les chocs pendant le transport. Le patin est enveloppé d'un film résistant à l'humidité et d'une housse résistante aux UV pour le protéger de la pluie, de la poussière et du soleil.
Pièces de précision : les vannes, les jauges et les débitmètres sont emballés dans des boîtes étanches doublées de mousse avec un étiquetage clair. Cela évite d’endommager les composants délicats et simplifie les contrôles d’inventaire à la livraison.
Grands réservoirs : les réservoirs de stockage de GNL sont expédiés avec des capuchons de protection sur les buses et sont fixés avec des sangles en acier pour empêcher tout mouvement pendant le transport.
Méthodes d'expédition :
Expédition de conteneurs : les patins standard s'adaptent aux conteneurs 20GP, 40GP ou 40HQ, adaptés au transport maritime ou terrestre. Cette méthode est rentable et garantit une gestion cohérente entre les différents prestataires logistiques.
Expédition en vrac : Pour les palettes surdimensionnées ou les grands réservoirs de stockage, des navires en vrac ou des camions à plateau sont utilisés. Nous travaillons avec des partenaires logistiques expérimentés pour garantir une bonne sécurisation et le respect des réglementations en matière de transport.
Support logistique : Notre équipe fournit les documents d'expédition détaillés (liste de colisage, certificat d'origine, papiers de dédouanement) et se coordonne avec l'utilisateur pour confirmer les calendriers de livraison. Nous proposons également des conseils de déchargement sur site pour garantir une installation sûre des composants lourds.
La station de ravitaillement modulaire GNL peut être expédiée par différents types de conteneurs, de vraquiers, etc.

Que sont les exportations de GNL et pourquoi remodèlent-elles les marchés mondiaux de l’énergie ? En termes simples, les exportations de GNL consistent à transformer le gaz naturel en une forme liquide afin qu’il puisse parcourir de longues distances de manière sûre et efficace. Découvrez comment fonctionnent les exportations américaines de GNL, leurs avantages économiques, les marchés émergents et les technologies innovantes qui stimulent la croissance du secteur énergétique mondial.
A quoi sert le GNL ? Le gaz naturel liquéfié (GNL) est bien plus qu’un simple carburant : il alimente les habitations, les entreprises, les industries et même les transports. Sa densité énergétique élevée, sa combustion plus propre et son transport flexible rendent le GNL idéal pour le chauffage résidentiel, les processus industriels et les applications hors réseau. Découvrez à quoi sert le GNL dans tous les secteurs, du chauffage et de la cuisine au transport et à la fabrication. Découvrez son rôle dans une énergie plus propre, des économies de coûts et un approvisionnement mondial fiable.
Qu’est-ce que le GNL ? En termes simples, le GNL, ou gaz naturel liquéfié, est du gaz naturel refroidi en liquide pour faciliter le stockage et le transport. Il s’agit d’une source d’énergie polyvalente à faible teneur en carbone qui alimente les maisons, les industries et les transports du monde entier. Apprenez tout sur le GNL (gaz naturel liquéfié), ses avantages en matière de stockage, de transport et son rôle dans une énergie plus propre. Explorez les innovations, les avantages environnementaux et les tendances du marché mondial.
La façon dont le GNL est produit est un voyage fascinant, depuis l’extraction du gaz naturel jusqu’aux technologies avancées de liquéfaction. Découvrez comment le GNL est produit de manière efficace et sûre. Explorez les techniques de liquéfaction, les systèmes modulaires, la récupération d'énergie froide et la responsabilité environnementale dans l'industrie actuelle du GNL.
Qu’est-ce que le GNL et comment est-il transporté devient une question clé pour les industries à la recherche d’une énergie plus propre et efficace. Le GNL, ou gaz naturel liquéfié, permet au gaz naturel de parcourir de longues distances sous forme liquide, à l'aide de navires, de camions, de trains et de conteneurs. Apprenez tout sur le GNL, sa liquéfaction, son transport à travers les océans et les routes, les solutions de stockage et la regazéification pour les habitations et les industries.
Un skid GNC constitue une solution essentielle pour le stockage et le transport en toute sécurité du gaz naturel comprimé. Cet équipement soutient les industries qui ont besoin de sources d'énergie efficaces pour les véhicules, le chauffage et la fabrication. Le marché de ces systèmes continue de croître rapidement : le marché mondial des skids pour tubes GNC est ma
Lorsqu’il s’agit de grands volumes de liquides et de gaz, le choix de la bonne solution de stockage et de transport est crucial. L’une des options les plus courantes est la citerne ISO, conçue pour un transport sûr et efficace. Il existe cependant une autre option incontournable : le réservoir de stockage. Dans cet article, nous explorerons les principales différences entre les réservoirs ISO et les réservoirs de stockage. Vous obtiendrez des informations sur leurs conceptions, leurs fonctionnalités et comment choisir celui qui convient le mieux à vos besoins spécifiques.
Dans cet article, nous explorerons l'importance des normes ISO dans la production de GNL. Vous découvrirez comment la certification ISO contribue à améliorer l'efficacité, la sécurité et la durabilité tout au long de la chaîne d'approvisionnement du GNL.
Dans cet article, nous explorerons ce que sont les réservoirs de stockage de GNL, pourquoi ils sont essentiels et comment ils conservent le GNL sous sa forme liquide. Vous découvrirez également les différents types de réservoirs de stockage et les caractéristiques de sécurité qui les rendent fiables pour les opérations à grande échelle.
IntroductionLes bouteilles de GNC transforment la façon dont nous alimentons les véhicules et les industries. Alors que le monde recherche des alternatives énergétiques plus propres, ces bouteilles jouent un rôle clé dans le stockage et le transport du gaz naturel comprimé (GNC). Dans cet article, nous explorerons ce que sont les bouteilles de GNC, leurs différents types, leur fonctionnement et leurs nombreux avantages. Vous apprendrez également à quel point ces cylindres sont essentiels dans la transition vers des solutions énergétiques durables.
IntroductionVous êtes-vous déjà demandé comment le gaz naturel comprimé (GNC) alimente les véhicules et les industries tout en réduisant les émissions ? Alors que le monde évolue vers une énergie plus verte, le GNC est devenu une alternative plus propre et plus durable à l'essence et au diesel. Dans cet article, nous explorerons le fonctionnement des bouteilles de GNC, leur conception et leurs caractéristiques de sécurité. Vous découvrirez également les avantages environnementaux et économiques du GNC et la façon dont il transforme les industries.
Camion-citerne - Application au MexiqueLorry Tanker - Application de camions-citernes à basse température en JordanieCamion-citerne - Application du transport par camion-citerne à basse température au Vietnam
Réservoir ISO - Application du transport de conteneurs-citernes en alliage d'aluminium en AlbanieRéservoir ISO - Sous-station de GNL péruvienne pour les applications de stockage et de transport
Un camion-citerne transforme la logistique du gaz cryogénique en Jordanie et au Vietnam Ce qui distingue notre solution est sa conception intégrée : un réservoir de stockage cryogénique haute performance associé à un compartiment d'exploitation spécialement conçu. Cette combinaison élimine le besoin d'équipements de transport et de remplissage séparés
Le réservoir Microbulk est conçu avec un vaporisateur monté sur patins et intégré, de haute qualité, efficace, fiable, une perte de charge inférieure et un temps de maintien du gaz liquide plus long…… La disposition du réservoir Microbulk vous aidera à être le « héros » dans de nombreuses applications, notamment industrielles, médicales, de soudage, de découpe laser, de laboratoire, etc.
Les entreprises de gaz industriel et de GNL de tous les pays ont atteint une nouvelle efficacité grâce à notre réservoir ISO. Sa conception de conteneur standard s'intègre à divers systèmes de transport (route, rail, mer) en s'adaptant aux besoins logistiques mondiaux. Pour le transport de gaz cryogénique, c'est le meilleur conteneur de transport. À l'intérieur de l'opéra
E-mail:
Téléphone:
Mobile et WhatsApp :
Adresse: